Reacher Technology Co.,Ltd

Reacher Technology Co.,Ltd

QS138 90H 4000W - 副本

Category: Middle drive motor
Motor Type: PMSM Motor
Pole Pairs: 5
MAX Efficiency>=93%
Max Torque: >80Nm after gear reduction
Rated Power: 4000W
Max Power: 6000W
Rated Voltage: 72V( 48-96V Can be optional)
Sensor Type: Hall/encoder
Rated Speed RPM: 6500RPM

  • PRODUCT DETAIL


QS138 90H 4000W Centre Mount Inner Spline Shaft Motor For ATV UGV



QS138 90H 4000W Mid-drive Motor with Inner Spline shaft

Application: Electric ATV, UGV or Trike


Specifications:


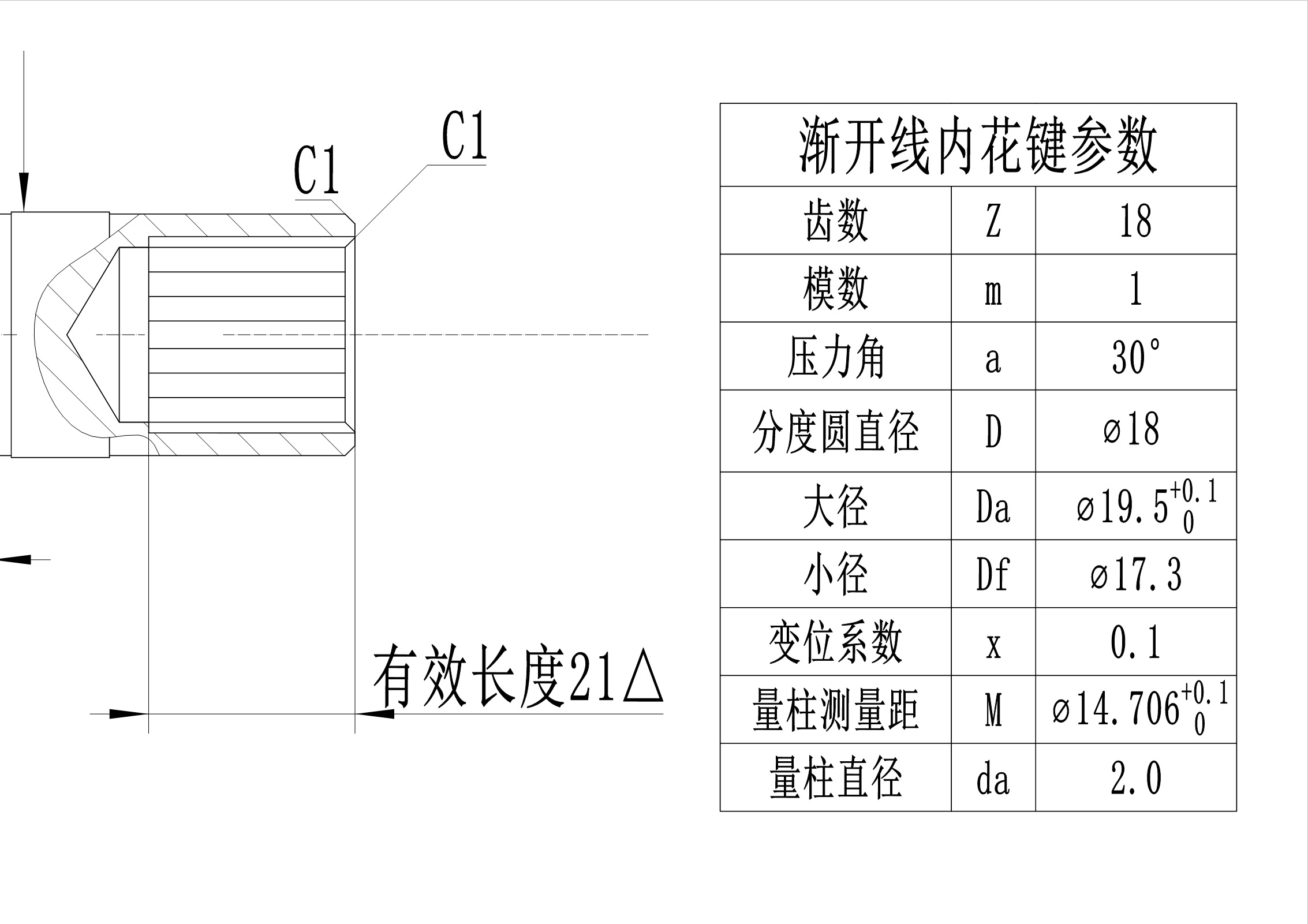
Shaft Drawing:

PREVIOUS:QS138 90H 4000W gearbox
No next